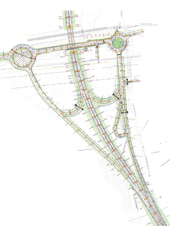
Протяжність: 230 км
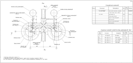
Понад 8000 км волоконно-оптичних ліній зв'язку на замовлення провідних операторів зв'язку України: ВАТ "Укртелеком", ЗАТ "UMC", ЗАТ "Київстар Дж.Ес.Ем.", ЗАТ "Датагруп"; Міністерства транспорту, ТОВ "Євротранстелеком"  
Електропостачання Великої кільцевої автомобільної дороги навколо м.Києва
ВОЛЗ
Протяжність: понад 8000 км
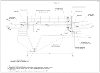
Зовнішнє освітлення2
Розробка розділів Зовнішнє освітлення та  Реконструкція інженерних  мереж об'єктів будівництва/реконструкції автомобільних доріг державного значення:
     -  М-03 Київ - Харків - Довжанський; 
     -  М-04 Знам'янка - Луганськ - Ізварине;
     -  Обхід м. Донецька, IV черга;
     -  М-05 Київ - Одеса;
     -  М-06 Київ - Чоп;
     -  М-07 Київ - Ковель - Ягодин;
     -  Н-20 Слов'янськ - Донецьк - Маріуполь.






Зовнішнє освітлення
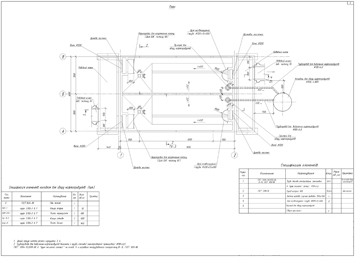
Будівництво зливової каналізації та очисних споруд зливових (дощових) вод індивідуальної розробки, потужністю від 400 до 1200 л/с, для автотранспортної магістралі через р.Дніпро в м.Запоріжжі.


Очисні споруди2
Очисні споруди
Очисні споруди4
Очисні споруди3
Промислові комплекси
Громадські комплекси
Житлові будинки
Транспортні мережі та об'єкти дорожнього сервісу
 
 
 
ІНЖЕНЕРНІ МЕРЕЖІ ТА СПОРУДИ

Електропостачання Великої кільцевої автомобільної дороги навколо м.Києва