Podilskyi project institute Podilskyi project institute
Length: 230 km
More than 8000 km of fiber-optic communication links for the leading communication operators of Ukraine: Ukrtelecom JSC, UMC CJSC, Kyivstar GSM CJSC, Datagroup CJSC; Ministry of Transport and Communications, EuroTransTelecom LLC.
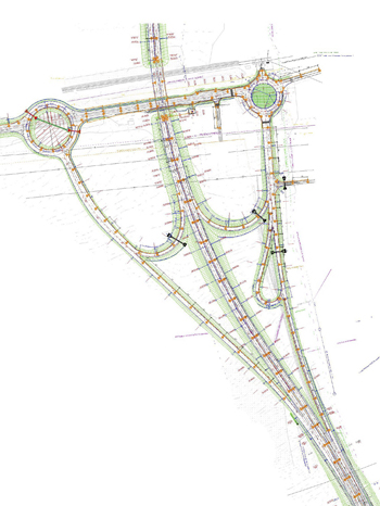
Electric power supply of Kyiv main ring road
FOCL
Length: more than 8000 km
External electric lighting2
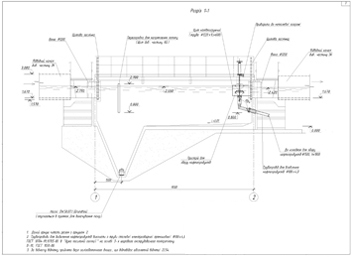
Construction of the storm drains and stormwater treatment plants of capacity 400 - 1200 l/s for the highway across the Dnieper River in Zaporizhia


Development of project sections Street lights and Reconstruction of utility networks for roads of national importance construction/reconstruction:
     -  М-03 Kyiv - Kharkiv - Dovzhanskyi; 
     -  М-04 Znamianka - Luhansk - Izvaryne;
     -  Donetsk bypass road, IV part;
     -  М-05 Kyiv - Odesa;
     -  М-06 Kyiv - Chop;
     -  М-07 Kyiv - Kovel - Yahodyn;
     -  Н-20 Sloviansk - Donetsk - Mariupol.






External electric lighting
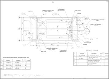
Treatment plants2
Treatment plants
Treatment plants4
Treatment plants3
Apartment buildings
Transport networks and objects of roadside service
 
 
 
UTILITY NETWORKS AND STRUCTURES

Electric power supply of Kyiv main ring road
Industrial complexes
Public complexes