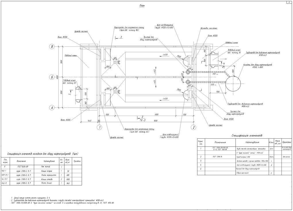
Очисні споруди3