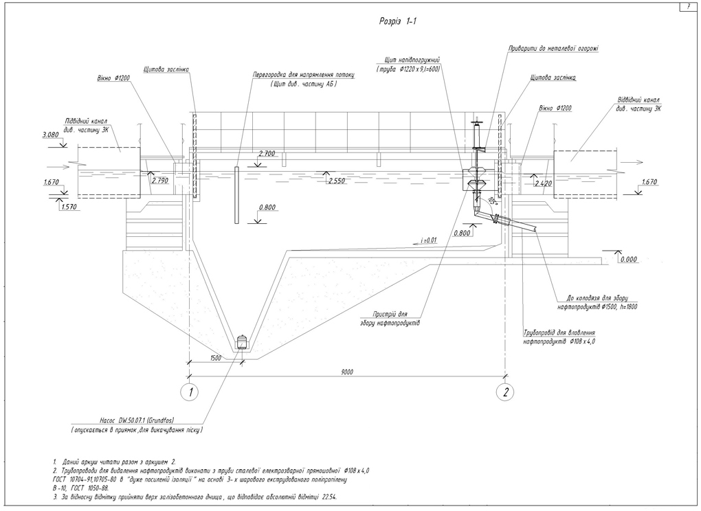
Очисні споруди4