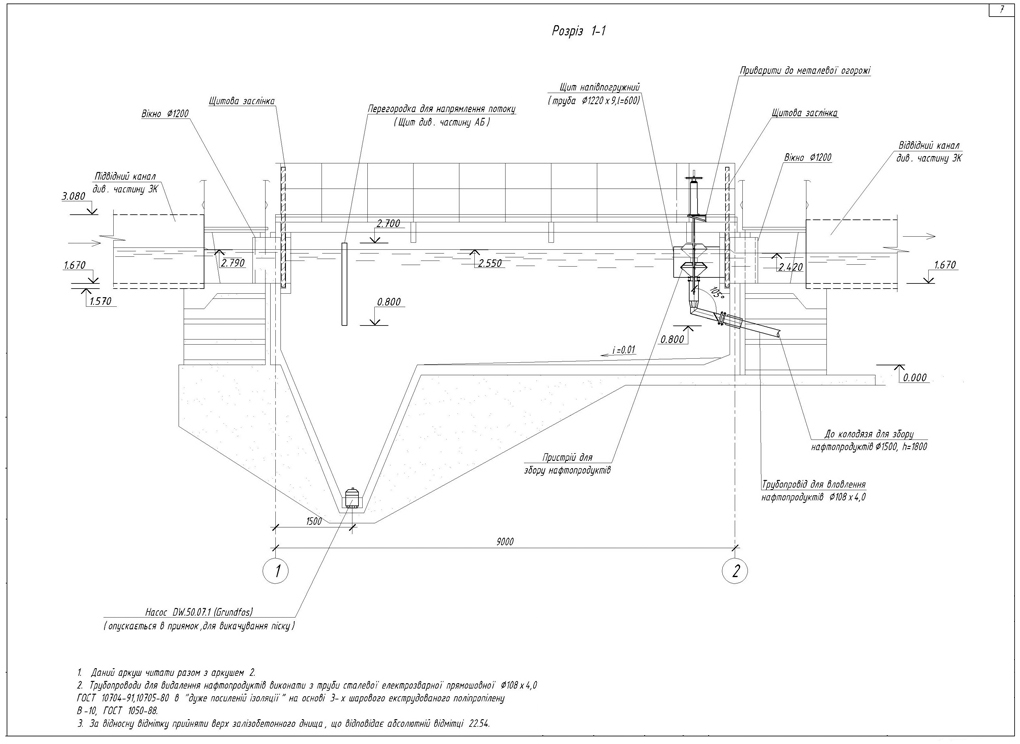
Podilskyi project institute Podilskyi project institute
Treatment plants4